Project Update – August 21
Enclosure Design Changes
The design phase is now complete, and the enclosure is ready for mechanical engineering handoff. Key updates include:
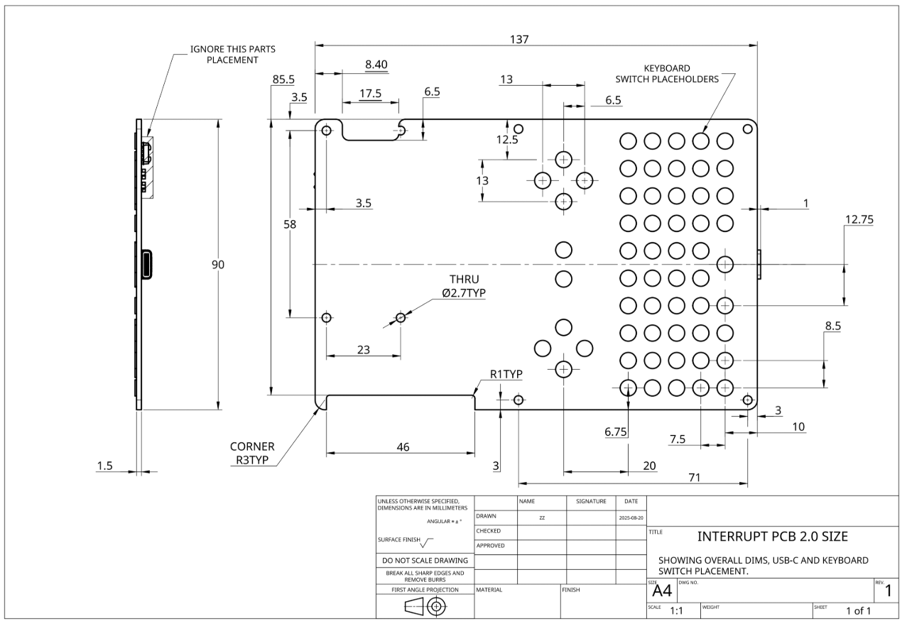
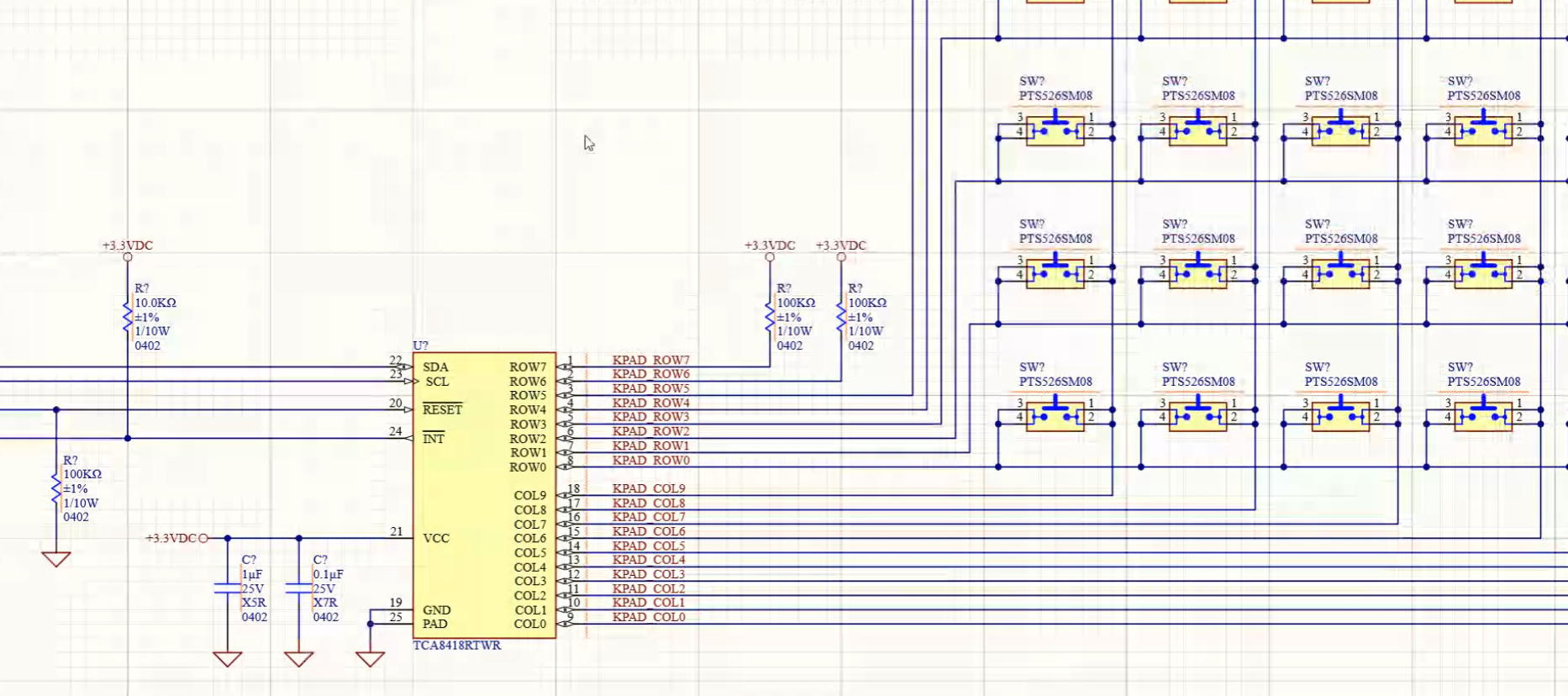
- Integrated keyboard – aligned on the same plane as the display for a cleaner look and improved usability. (model to be updated)
- Slimmer profile – the SD card slot was inverted to reduce bulk, with a tool-assisted removal method to keep the exterior compact and secure. (model to be updated)
- Refined geometry – the enclosure will now be fully rectangular with a uniform thickness, larger radius corners, and over molded grip locations for comfort.
- Durable finish – full-body matte plastic selected for a sleek, robust appearance.
Electronics & Hardware
Our electrical engineering team is making strong progress:
- Schematics are nearly complete, with RF components next on the list.
- Raspberry Pi integration - multiple header placement options discussed ensuring headers are fully supported without compromising enclosure design.
- Power management – Adding power control circuit (RPI Zero 2W does not have native power control) allowing simple on/off control and reset functionality through dedicated keys.
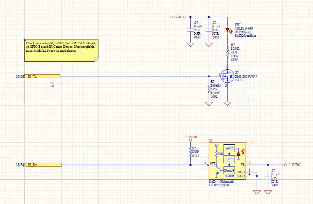
- Infrared & RF development is moving forward, with filtering and component selection underway.
- Display options are being reviewed to ensure flexibility in connector placement and long-term reliability.
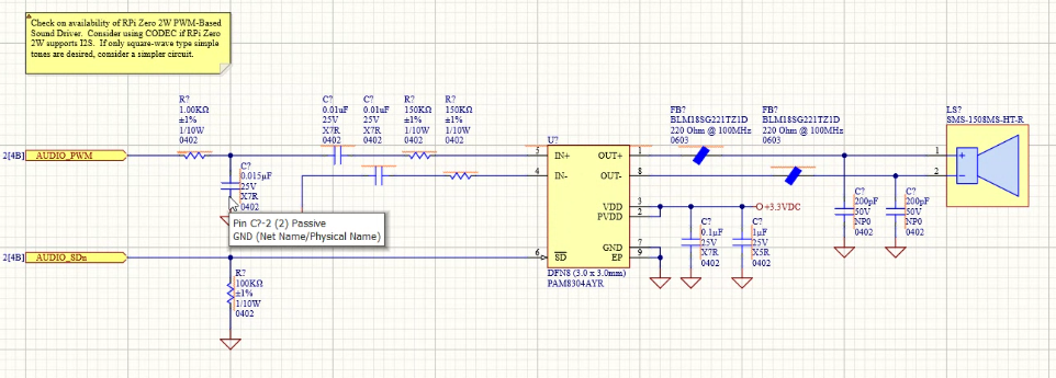
- Considering adding basic audio circuit option to provide audible feedback.
- GPIO will be added to the final design after all major components have been placed.
Firmware Development
On the software side:
- Firmware is underway, with work beginning on UI wireframes.
- Development boards are being ordered to accelerate progress and expand testing.
Development Boards & Prototyping
- All key development boards (except RF elements) have been selected and will be ordered next week.
- A new display is also being procured for evaluation.
- Raspberry Pi boards have already been shipped for firmware development.
Key Decisions
- SD card slot will be tool-assisted to reduce profile and improve durability.
- Keyboard and display aligned for a uniform user interface.
- Enclosure finalized as a rectangular, uniform-thickness body with refined side details.
Next Steps
- Order development boards and the new display.
- Begin UI wireframe design.
- Advance enclosure to ME based on the latest design refinements.
- Finalize RF component selections.
We’re encouraged by the progress so far and excited to see the project coming together. The enclosure design is finalized outside of a couple small tweaks and being sent to ME. All hardware components are finalized (except RF), and firmware development is beginning to take shape. We’re well on the way toward delivering a powerful, user-friendly device.
Note: We made a change to the case design in today's review and we will be removing the recess for the keyboard and aligning it on the same plane as the screen. The case design pictures and model below are prior to the changes we decided on today. Updated pictures will follow.




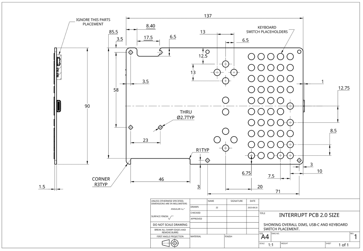
PCB Size with button placement. Keyboard, IR, and (potential) Audio Schematics





